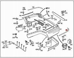
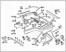
Mercedes-Benz OE A 211 885 04 74 LISTWA OZDOBNA PRAWA
Dzień dobry,
Przedmiotem oferty jest
LISTWA ZDERZAKA PRAWA TYŁ MERCEDES W211
MERCEDES S KLASA
NR A211 885 04 74
W jednym modelu pojazdu, mogą występować różne warianty danej części.
W przypadku braku pewności o właściwy dobór części, zalecana jest weryfikacja wg. numeru VIN.
Autoryzowany Dealer i Serwis Mercedes-Benz Auto-Studio
Rokicińska 78, 92-302 Łódź

Marka
Stan
Nowy
Numer katalogowy części
A 211 885 03 74
Producent części
Mercedes-Benz OE
Strona zabudowy
tył
Typ samochodu
Samochody osobowe
Jakość części (zgodnie z GVO)
O - oryginał z logo producenta pojazdu (OE)
Wersja
Europejska
Zapytaj o produkt
Napisz swoją opinię






